熱門文章排行
YZO系列振動電機
產品分類: 配件系列
YZO振動電機是動力源與振動源結合為一體的激振源,振動電機是在轉子軸兩端各安裝一組可調偏心塊,利用軸及偏心塊高速旋轉產生的離心力得到激振力。
訂購熱線:15516627803
產品介紹
YZO 振動電機是動力源與振動源結合為一體的激振源,振動電機是在轉子軸兩端各安裝一組可調偏心塊,利用軸及偏心塊高速旋轉產生的離心力得到激振力。
YZO振動電機的激振力利用率高、能耗小、噪音低、壽命長。振動電機的激振力可以無級調節,使用方便。可以應用于一般振動機械,如:振動破碎機、振動篩分機、振動打包機、振動造型機、振動打樁機、振動提升機、振動充填機、料倉的振動破拱防閉塞裝置等等。
YZO系列振動電機的特點
1、振動力與出力配合得當,激振力大,機體重量輕,機械噪音低。
2、采用強阻型振動,具有穩定振幅。
3、激振力受電源、電壓的波動影響較小。
4、密閉型設計,可在無防爆要求的環境下工作。
5、可根據振動電機的安裝方式改變激振力的方向。
6、只需調節偏心塊的夾角,就可以無極調整激振力和振幅。
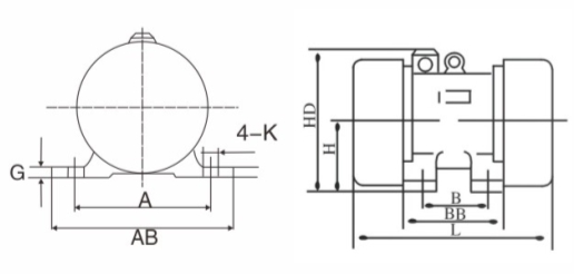
YZO系列振動電機安裝圖



JZO/YZO系列振動電機

上一篇:WZDS系列彈聯激振器
下一篇:YZUL系列立式振動電機





